Um relé de proteção diferencial é um dispositivo de proteção de energia baseado no princípio de restrição magnética de CA, usado principalmente para detectar falhas de curto-circuito interno em equipamentos como transformadores e geradores. Ele determina falhas comparando as diferenças de corrente medidas por transformadores de corrente (TCs) em dois pontos do sistema.
A proteção diferencial opera de acordo com a Lei das Correntes de Kirchhoff (LCK). Quando um transformador opera normalmente ou durante falhas externas, ele pode ser considerado como um transformador ideal: a corrente de entrada é igual à corrente de saída (após a conversão). Neste caso, o relé diferencial não opera. Quando ocorre uma falha interna no transformador, ambos os lados (ou três lados) fornecem corrente de curto-circuito para o ponto de falha. As correntes secundárias resultantes somam-se proporcionalmente à corrente de falha, e o relé diferencial opera.

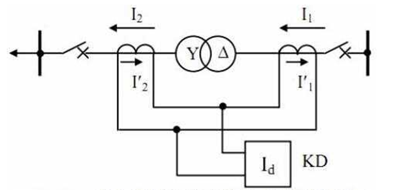
Quando um transformador está em operação normal, com base na LCK, a corrente que flui para dentro do transformador é igual à corrente que flui para fora. Com os TCs conectados corretamente com a polaridade adequada em ambos os lados do transformador, a corrente secundária no lado de alta tensão e a corrente secundária no lado de baixa tensão são iguais em magnitude, mas opostas em direção. Sua soma vetorial no relé é zero, portanto a proteção não opera. Na prática, um dos lados (alta ou baixa tensão) deve ter a polaridade invertida na fiação, pois o relé em si não inverte a polaridade internamente.

Como mostrado abaixo, durante a operação normal, as correntes secundárias dos TCs são iguais e opostas, portanto a proteção não dispara. O relé só opera quando ocorre uma falha dentro da zona entre os TCs.
Quando ocorre uma falha (como curto-circuito fase-fase ou entre espiras) dentro desta zona, a corrente de falha flui, quebrando o equilíbrio de corrente. A direção da corrente primária muda e, após a inversão da polaridade do TC, a soma vetorial das correntes secundárias não é mais zero, mas sim aditiva. Assim que a corrente diferencial excede o limite predefinido do relé, o relé emite um sinal de disparo, abrindo os disjuntores em ambos os lados do transformador e isolando o transformador com defeito do sistema elétrico.
A proteção diferencial é uma das principais proteções para transformadores, especificamente um esquema de proteção diferencial longitudinal. As razões incluem:
Alta Sensibilidade
Os transformadores são críticos nos sistemas de potência. Falhas internas, como curtos-circuitos fase-fase ou entre espiras, podem causar consequências graves. A proteção diferencial longitudinal detecta essas falhas rapidamente, geralmente disparando em dezenas de milissegundos, limitando assim o impacto da falha e evitando danos ao transformador e aos equipamentos conectados. Isso garante a estabilidade e confiabilidade do sistema.
Alta Seletividade e Confiabilidade
A proteção diferencial apenas responde a falhas dentro de sua zona de proteção. Para falhas externas, ela permanece inativa. Usando a LCK, ela compara as magnitudes e fases das correntes em ambos os lados do transformador. Com a fiação correta dos TCs e configurações adequadas do relé, evita disparos falsos durante a operação normal, enquanto opera com precisão durante falhas. Sua seletividade isola as falhas em uma área muito pequena, minimizando interrupções e melhorando a continuidade e a qualidade do fornecimento.
Ampla Aplicabilidade
A proteção diferencial funciona independentemente das condições de operação do sistema. Seja em vazio, carga total ou sob qualquer carga, opera de forma confiável ao detectar correntes anormais dentro de sua zona de proteção. Detecta não apenas curtos-circuitos fase-fase, mas também falhas de aterramento e outras falhas internas.
Devido a estas vantagens, a proteção diferencial é considerada uma salvaguarda primária para equipamentos críticos, desempenhando um papel fundamental na garantia da operação segura e estável do sistema elétrico.
Como dispositivos de proteção fundamentais, a configuração e os testes corretos dos relés diferenciais afetam diretamente a segurança e a estabilidade da rede. As seguintes dicas testadas em campo podem ajudar a evitar armadilhas comuns:
Correspondência e Polaridade de TC
O núcleo da proteção diferencial reside na correspondência e calibração dos TCs. Sempre verifique as relações e a polaridade dos TCs cuidadosamente. Um caso real envolveu disparos falsos frequentes em uma subestação devido à polaridade invertida do TC — descoberta apenas após dois dias de solução de problemas! Sempre use um conjunto de teste de relé de proteção para verificar a consistência da polaridade do TC antes do comissionamento.

Características de Restrição
As configurações adequadas das características de restrição são cruciais. Recomenda-se uma curva de restrição de múltiplas inclinações (linear por partes) em vez de uma linha reta simples. Normalmente, a primeira inclinação é definida em 0,2–0,3 e a segunda em 0,5–0,7, embora as condições reais do sistema possam exigir ajustes. Não se esqueça de definir a corrente de restrição mínima, geralmente 10–20% da corrente nominal, para evitar falhas de operação durante falhas externas.
Resistência do Circuito Secundário
Muitos engenheiros negligenciam a resistência do circuito secundário. A resistência excessiva pode causar a saturação do TC, degradando o desempenho da proteção. Sempre meça a resistência do laço por fase usando um medidor de resistência de laço e garanta que os valores estejam dentro dos limites. Se a resistência for alta, verifique as conexões dos terminais e os tamanhos dos cabos.
Influência de Harmônicos
Em sistemas com muitos dispositivos eletrônicos de potência, a proteção diferencial pode ser afetada por harmônicos. Ative a função de bloqueio de harmônicos no relé: por exemplo, bloqueie a operação se o 3º harmônico exceder 20% da corrente nominal. Isso previne eficazmente disparos falsos.
Manutenção Regular
A manutenção de rotina é vital. Realize um teste funcional do relé diferencial trimestralmente, simulando uma falha interna para verificar as características de disparo. Registre todos os dados de teste e estabeleça uma análise de tendências para detectar problemas potenciais precocemente.
Com projeto, configuração e manutenção corretos, os relés de proteção diferencial fornecem uma proteção altamente sensível, seletiva e confiável, garantindo a operação segura e estável dos sistemas de potência.